Алексей
UR3IQY видимо поскромничал

и выложил свои выводы по различным картам одним файлом. Что, считаю, не верно, т.к. многие интересующиеся этой темой, не видя в названии файла инициалов требуемой карты, даже и скачивать его не будут.
Попробую исправить эту ситуацию. Выложу последовательно описания Алексея в развёрнутом виде.
Итак, ниже информация из sdr.rar файла Алексея
UR3IQY -
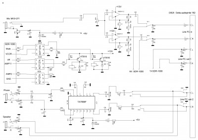
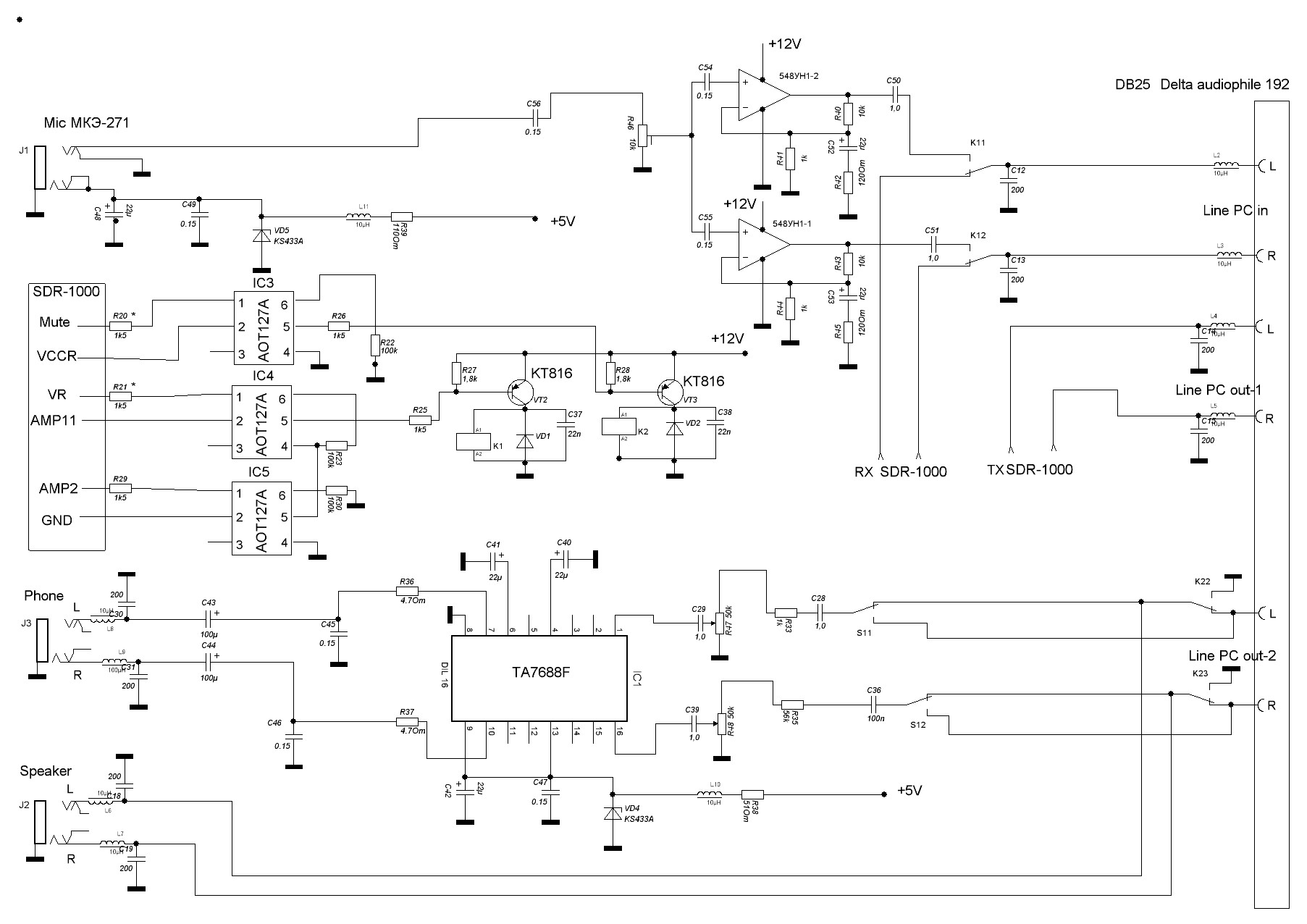
Хочу поделиться положительным опытом использования звуковой карты для SDR-1000, которая не уступает, а в чем-то и лучше чем рекомендуемая Delta 44/66. После получения трансивера возникло желание провести сравнение и найти альтернативу довольно дорогим картам, которые рекомендуют разработчики от FlexRadio, благо выбор небольшой имелся: Creative Live 5.1 PCI, Creative Audigy 4 Pro, Creative 24bit 5.1 External USB, Delta 44 взятая на тест от знакомого музыканта, Infrasonic Quartet оттуда же.
По поводу первой, - никаких чудес от неё ждать не приходится, народ пользует их довольно часто и характеристики не привожу - всё писалось про неё неоднократно, как вывод, если денег мало но хочется, чтоб SDR работал лучше чем на встроенной звуковой- однозначно можно брать, цена на них от 15 до 20 уе.
А вот Creative Audigy 4 Pro купленная за 100$ очень порадовала, когда карта вышла в свет она стоила другие деньги, сейчас можно их найти либо б.у. либо уцененные в магазинах комп. техники, о ней поподробнее.
24-битный звук с применением технологии ADVANCED HD, цифро-аналоговые конвертеры студийного качества с соотношением сигнал/шум 113 дБ, высококачественная запись на уровне 24 бит/ 96 кГц с поддержкой ASIO 2.0
Внешний интерфейсный хаб с широкими коммутационными возможностями; шесть каналов ввода, оптический и коаксиальный цифровой вход/выход, полноразмерный вход/выход MIDI, микрофонный с управлением усилением, для наушников с управлением громкостью и сдвоенные порты FireWire;
Т.е. карта потенциально обладает всем набором нужным для обработки сигнала с SDR – в ней есть микрофонный вход с регулировкой усиления прямо с панели и выход на наушники (там же). Но самое главное что потрясло: Audigy4 Pro поставляется с современными высокопроизводительными ЦАП CS4398 от Cirrus Logic. Эти преобразователи разработаны для профессиональных аудиоустройств, поддерживают режим 24-бит/192 кГц
Измерения характеристик карт проводились RMA 6.0.6 Если кого то заинтересуют конкретные результаты, могу выложить (
Алексей, нужно выложить
ut2fw) или выслать.
Так вот эта карта от Creative по характеристикам не уступает Delta 44, разве что проникновение каналов на 2 % хуже но это мог быть глюк программы теста. Плюсы очевидны: 192кГц, цена, наличие микрофонного усилителя. В режиме передачи никаких проблем с широкополосным шумом замечено не было (этим грешат Audigy2 ZS).