us5mpt писал(а):
Немножко ошибаетесь
2SC2879-MP Matched Pair $51.90 - подобраная пара цена за 2 транзистора
2SC2879-MQ Matched Quad $103.80 - подобранная четверка цена за 4 транзистора
Пару "копеек" в тему
подобранные. Как и основная масса т.н. "вышедших из совка" - питал розовые надежды по теме порядочности западных поставщиков. А именно - верил в то, что пары или четвёрки транзисторов поставляются
подобранными. Заказал, с горем пополам оплатил, жду. Кста - за пересылку янки не хило берут денег.

Получил, таможня как-то "прошляпила" эту посылку - посему отделался лёгким испугом - таможенные + 44% к объявленной стоимости не начислили. Слепо веря в
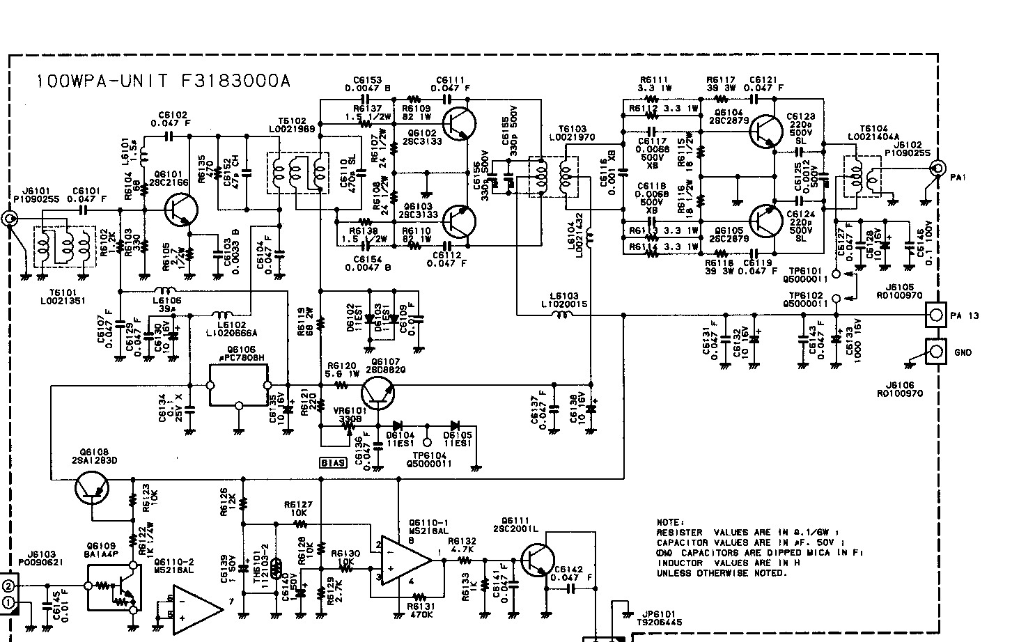
подобранность транзисторов - они были парами запаяны в пакетиках - не стал их проверять - запял в ШПУ пару из пакетика. Настраиваю - работает. Но работает "как-то не так", как мне казалось, что должно было работать. Провозился несколько дней - хотел выжать максимум из этих мрфов - тупо всё как-то и мощи ожидаемой нема... Надоел тот "мазохизм с выжиманием" - отложил ШПУ "вылежаться". Прошло несколько месяцев - видимо правильная "мыслеформа" создалась - думаю, а ну-ка проверю те транзисторы как они там подобраны. Лабработа показала - никто там и не думал те пары подбирать. Благо, разбросы заводские у транзисторов небольшие - видимо на это и "упор" янки сделали - запаивают по два транзистора в пакетик - вот и весь "подбор".

По закону Мерфи пара, которую запаял, была с максимальным разбросом. Посему и не "шёл" ШПУ. Не сработал бы "закон Мерфи" - не скоро бы и узнал, как там янки те пары
"подбирают".
Думаю понятно, что те цифирки на крылышках у транзисторов, уже не янки рисовали?
