Технический форум UT2FW

Сайт UT2FW | Доска бесплатных объявлений


Текущее время: 18 апр 2026, 17:47

Часовой пояс: UTC + 2 часа




Начать новую тему Ответить на тему  [ Сообщений: 88 ]  На страницу 1, 2, 3, 4, 5, 6  След.
Автор Сообщение
СообщениеДобавлено: 16 янв 2016, 22:15 
Не в сети
Гуру поболтать
Аватара пользователя

Зарегистрирован: 09 ноя 2007, 14:22
Сообщения: 1643
Фотографии: 267
В последнее время всё чаще начали задавать вопросы по самостоятельному изготовлению мощных транзисторных УМов. Хотя этой темы неоднократно касался в других топиках, решил открыть отдельный раздел именно по этой теме. Прошу пользовательские вопросы здесь не задавать. По ремонту техники тоже. Только тема самодельщиков по транзисторным МОЩНЫМ усилителям.
Много информации по аналогичным вопросам в соседнем топике, см. по ссылке (нажать левым мышем на буковки справа от стрелки) => viewtopic.php?f=4&t=244

_________________
Aleksandr


Вернуться к началу
 Профиль Отправить личное сообщение  
Ответить с цитатой  
СообщениеДобавлено: 16 янв 2016, 22:17 
Не в сети
Гуру поболтать
Аватара пользователя

Зарегистрирован: 09 ноя 2007, 14:22
Сообщения: 1643
Фотографии: 267
Буду помалу сюда выкладывать заданные ранее вопросы из переписки с ответами. Просьба - если есть вопросы по теме - задавайте их здесь, не пишите их в личку или на Е-майл. Форум для того и содержу и финансирую, чтобы в форуме обсуждалось, а не в индивидуальной переписке. Если кому-то не отвечу на вопросы, заданные по личной почте - значит ответ есть здесь, читайте, не ленитесь.

_________________
Aleksandr


Вернуться к началу
 Профиль Отправить личное сообщение  
Ответить с цитатой  
СообщениеДобавлено: 16 янв 2016, 22:30 
Не в сети
Гуру поболтать
Аватара пользователя

Зарегистрирован: 09 ноя 2007, 14:22
Сообщения: 1643
Фотографии: 267
Вопрос - В итоге хочу киловатт. Питалово имею вроде неплохое - ELTEK FLATPACK2 53.5V 33.6A, которого достаточно для поставленной задачи. Дорогой блин БП но за то помех не дает.
Саша какие защиты рекомендуешь, что бы без проблем?


Ответ - Смотреть-читать по ссылке => https://www.ut2fw.com/node/469 - подумать (см. соседний топик), для чего UT2FW ещё несколько лет назад настойчиво и неоднократно задавал вопросы пользователям промышленной техники в тему их надёжности. Внятных ответов от пользователей так и не было получено. Исходя из этого - мораль басни - система "автоматизации" усилителя должна всё думать-решать за пользователя. Поэтому и столько "лишнего" заложено в DN-B10.
Учитывая почти 40-ка летний HAM опыт - в "автоматику" следует закладывать все мыслимо-не-мыслимые варианты защит "от дурака". Если пользователь грамотный - ему вообще не нужны никакие защиты в усилителе. Но, "что бы без проблем" - следует отталкиваться от своего "плинтуса" грамотности - т.н. количества технического "масла в голове". Чем ниже "плинтус" и чем меньше "масла" - тем больше должно быть защит в усилителе.

_________________
Aleksandr


Вернуться к началу
 Профиль Отправить личное сообщение  
Ответить с цитатой  
СообщениеДобавлено: 19 янв 2016, 08:17 
Не в сети
Частый посетитель

Зарегистрирован: 08 июл 2015, 17:54
Сообщения: 12
Позывной: RU0AEA
Имя: Виталий
Доброго времени. Начальник форума все время упрекает юзеров, что те не делятся положительным опытом эксплуатации, а только жалобы и вопросы. Попробую исправить ситуацию.
Мною был построен усилитель из набора EB-104. Установлены не подобранные китайские SD2933. Радиатор вот такой: https://eb104.ru/internet-magazin/kompon ... 5-radiator. Если автор считает ссылку рекламой, прошу удалить. Медная пластина оттуда же. Должен прояснить сразу один момент: при постройке усилителя экономическая составляющая ставилась на первый план. блок питания Siemens 24/50/60в, 30а. Продавали на УКВ форуме. Немного крупноват, зато дешево (относительно), зато имеет выведенную на переднюю панель регулировку напряжения, ограничение тока, и выходы для измерения тока и напряжения (20v-1v, 8a-1v). Очень пригодились при настройке. Прямое измерение тока не самоя простая задача. ФНЧ был приобретен у автора темы, и к сожалению показал свою не работоспособность про мощности 900 Вт. Антенны использовались диапазонные, c КСВ не более 1.4. Тем не менее мой опыт считаю положительным. За некую основу был взят усилитель IC-2KL фирмы ICOM. Почему, потому, что схем более мощных усилителей IC-4KL, IC-PW1 в открытом доступе не нашел. И сейчас не нахожу. Если кто даст читаемую схему с номиналами, буду бесконечно признателен.
Кстати, в противоположность мнения нашего уважаемого автора, защит там хватает. И количество "масла" в голове не меняет итог после пробоя например конденсатора в ФНЧ. Ту как раз все дело в защитах. Продолжение следует.


Вернуться к началу
 Профиль Отправить личное сообщение  
Ответить с цитатой  
СообщениеДобавлено: 19 янв 2016, 11:31 
Не в сети
Гуру поболтать
Аватара пользователя

Зарегистрирован: 09 ноя 2007, 14:22
Сообщения: 1643
Фотографии: 267
Вопрос - Забыл один вопрос. Не подобранные пары допускаются (SD4933)? Я понимаю что плохо... Чем черевато? А то у меня 5 шт есть но кто их подбирал естественно....

Ответ - В радистской технике ВСЁ допускается. Т.к. это РАДИСТСКАЯ техника. Чтобы понять чем это чревато - представьте себе авто на 4х разных колесах. Пусть те колеса будут одного типа - круглые - но разного диаметра (разное усиление транзисторов) - как будет ехать такое авто? Так же будет вести себя и усилитель. Но, т.к. в усилителе визуально не видны происходящие в нём процессы - посему - "А оно и так (без подбора) работает!"

Вопрос - Так же платкой и ферритами не поможете для BLF 578 или MRFE6VP61K25H (BLF 188XR). Понимаю что дорогие но остановился именно на "сборках" т.к. считаю сейчас это лучшим вариантом. Хотел бы услышать Ваш совет по этому делу. Может ошибаюсь и не стоит сборку ставить а "горсть" кристаллов лучше?

Ответ - "горсть кристаллов" лучше по соображениям теплового режима + внимательно почитать до каких частот предназначены LDMOS и для каких частот на них промышленность делает усилители. Радистская техника не в счёт - т.к. см. выше - "В радистской технике ВСЁ допускается". На сегодня на LDMOS проще сделать 1кВт. Вопрос КАЧЕСТВА того 1кВт не поднимаю - нет никакого желания обсуждать-мусолить ту тему. Коротко - КАЧЕСТВО 1кВт из 4х MOSFET будет выше, КАЧЕСТВА 1кВт из одной сборки LDMOS. Надежность 1кВт из 4x MOSFET выше 1кВт из одной LDMOS сборки. "Блудливость" 4х MOSFET не сопоставима с "блудливостью" LDMOS.
Только вчера ввечере отвечал и буржуинам на аналогичные вопросы (кому интересно - гугло-яндексо-переводчик в помощь) -
1. Better - 4x MOSFET.
2. more stable operation - 4x MOSFET
3. easier to build - LDMOS
4. more output - 4x MOSFET
5. mybe cheaper - LDMOS

В очередной раз и здесь (см. соседние топики) акцентирую внимание на самих транзисторах. Т.к. транзистор, купленный, например, на алиэкспресс, абсолютно не гарантирует вам заявленных в даташите на него параметров. И не факт, что у другого продавца вы купите однозначно тот прибор, параметры которого будут совпадать с характеристиками на него из его родного букваря. Уже и янки в своих интернет магазинах выкладывают фото транзисторов без каких-либо надписей на корпусе транзистора. Хотя, мы считаем, что например digikey торгует качественным продуктом... Пиплам хочется дешевый продукт? - нет проблем - китайские "колхозники" научились делать внешнее оформление, совпадающее даже с топовыми ювелирными брендами.
Ниже фото китайского продукта - можно купить дохлые как SD2933, так и BLF578, так и RD16HHF1 - алиэкспресс.

Платки-ферриты-резисторы-транзисторы - любой каприз за ваши деньги.


Вложения:




_________________
Aleksandr
Вернуться к началу
 Профиль Отправить личное сообщение  
Ответить с цитатой  
СообщениеДобавлено: 19 янв 2016, 12:10 
Не в сети
Частый посетитель

Зарегистрирован: 08 июл 2015, 17:54
Сообщения: 12
Позывной: RU0AEA
Имя: Виталий
Пока созреваю написать продолжение опуса, Прошу Александра ответить на следующий вопрос. https://www.youtube.com/watch?v=3JJrKZvHKd0 - на данном видео вами тестируется усилитель на VRF2933 c ФНЧ (что не маловажно). На 19 секунде всеми уважаемый прибор BIRD фиксирует мощность 1500 вт на частоте 28 мгц ( при заявленной выходной 300 на корпус). Тем более в схеме пуш пулл... или как там по англицки? К сожалению данные транзисторы не имеют ничего общего с лампой ГУ-81, которая допускает превышение всех параметров одновременно вдвое, без ущерба работоспособности.... Вопрос, каким образом ???


Вернуться к началу
 Профиль Отправить личное сообщение  
Ответить с цитатой  
СообщениеДобавлено: 20 янв 2016, 13:08 
Не в сети
Частый посетитель

Зарегистрирован: 08 июл 2015, 17:54
Сообщения: 12
Позывной: RU0AEA
Имя: Виталий
Доброго дня. К сожалению автор не хочет отвечать на неудобные вопросы. Перефразирую, как можно использовать режим 1500вт на реальную нагрузку? Хотя бы одно щсо в телеграфе, например можно провести со скоростью 20 зн/мин? Для чего эти видео? Для чего на плате с BLF578 (фото выше) провакационная надпись 1,2KW? Некоторые самоделкопаяльщики, глядя на Вас (по некоторой неопытности и я в свое время) как на Гуру(а Вы им и являетесь), начинают стремиться к этим цифиркам. Дядя Саша ведь может! И у меня должно получиться. А в итоге "пробежал веселый огонек". И начинается на форумах: транзисторные усилители полное г....; была солнечная погода, трансивер работал на прием, и вдруг БАХ и 100 евро в мусорку, и.т.д.
Или это маркетинг такой..??


Вернуться к началу
 Профиль Отправить личное сообщение  
Ответить с цитатой  
СообщениеДобавлено: 20 янв 2016, 13:22 
Не в сети
Частый посетитель

Зарегистрирован: 08 июл 2015, 17:54
Сообщения: 12
Позывной: RU0AEA
Имя: Виталий
По поводу моего УМ. По входу установлен "П" АТТ -7дБ. Резисторы Р1-3 25вт - 3 шт. Отсюда же сделан выход сигнала ALC. В дальнейшем наверное откажусь от снятия сигнала со входа, только с выхода. Планирую установить супрессоры. На данном этапе хотелось бы услышать коментарий автора по двум вопросам:
1. У меня применен однаступенчатый АТТ, а у вас несколько ступеней. Для чего, не уловил мысль.
2. На поздних модификациях Ваших плат виделместа для установки этих супрессоров, но они были не запаяны. Вы от них отказались? Прокоментируйте.
Первоначально планировал брать резисторы Р1-3 в этой фирме: https://112430.ru.all.biz/r1-3-sverhvyso ... ii-g707945. Написал им, ответили:"Покупка частным лицом возможна (безналичный расчет). Прошу указать % и номинал.
Цена от 5,11 Ом до 20 Ом 1% -360,61 руб. 5% - 287,98 руб.
от 20,5 Ом до 301 Ом 1% - 277,40 руб. 5% - 221,91 руб. без НДС. Менее 5 штук К=1,5. Приемка ОТК."
Потом подвернулись на стороне. Кто будет делать на МЛТ-2, может пропустить эту информацию.
Кстати у автора применены более удобные в монтаже резисторы, но цена....


Вернуться к началу
 Профиль Отправить личное сообщение  
Ответить с цитатой  
СообщениеДобавлено: 21 янв 2016, 15:13 
Не в сети
Частый посетитель

Зарегистрирован: 08 июл 2015, 17:54
Сообщения: 12
Позывной: RU0AEA
Имя: Виталий
Доброго дня. Продолжу. В качестве основной платы мною был приобретен набор EB104, вроде как оригинальный (не воронежский ремейк). почему именно он, потому что на момент покупки других предложений усилителей не было. К сожалению у уважаемого автора информация о продаже голых плат была засекречена. Продавались только ФНЧ. Кто бы мог знать, что если ему написать, то этот товар мог быть продан страдающему? Но как случилось, так случилось. Позднее удалось ознакомиться со схемотехникой и печатными платами уважаемого Александра. Должен признать, что если бы делал сейчас, сделал бы на плате Александра.
О eb104, пример минимализма, кроме одного каскада ничего более. Стоит задуматься. На выходе стабилизатора смещения было выставлено напряжение 4в. Ток покоя каждого транзистора 500мА. Терморезистор приложен в торец медяхи на линии транзисторов через КТП-8. Напряжение ровно 50в. В погоне за "расчетным" током в режиме несущей, на эквиваленте, диапазон 20м потерял разум. Зафиксировав на ВЧ вольтметре 260в (1300вт), усллышав громкий БАХ потерял потерял одного бойца, ОЙ, транзистор. Пробой по затвору. Боле ничего не пострадало. После замены, во время настройки стал более осознанно следить за вольтметром, ограничившись напряжением 210-220в на нагрузке. До сего момента потерь транзисторов не имею. Насмотревшись страшных картинок на форумах, заменил все выводные конденсаторы на КМ-5,6. Электролит был заменен на К52-1, в каждом "плече" были добавлены довольно экзотические К52-9В по 47мк, что свело TVI практически на ноль. На бинокли взамен выводных были установлены SMD конденсаторы Murata, после чего АЧХ значительно выправилась, но завал на 15 и 10м остался. Я бы его назвал даже не завал, а упадок. Завал сильно круто.
В связи с вышесказанным имею три вопроса к уважаемому Александру:
1. В части своих УМ Вы применяете один бинокль, в других два. Вопрос: если здесь отбросить экономическую составляющую, а руководствоваться стремлением достижения более линейной АЧХ и облегчением теплового режима трансформатора(ов), как лучше - один или два?
2. В Мотороловском наборе устанавливается два по два конденсатора ATC200/823 (позиционное обозначение C17,C18). Это разделительные конденсаторы в первичной обмотке выходного трансформаторов. Вами эти конденсаторы не устанавливаются. Всем известно, что пиндосы изрядные скряги, и включать в свой набор (который создан для популяризации MRF150) конденсаторы, стоимость которых составляет половину стоимости набора без транзисторов, просто так не будут. Вопрос - что даст их наличие (отсутствие)?
3. Все (ли практически все забугорные самоделкопаяльщики (и фирмы в том числе) устанасливают на выходе балун. Вы не устанавливаете. Вопрос - почему? Религия? Старая школа? Удешевление конструкции?
Спасибо.


Вернуться к началу
 Профиль Отправить личное сообщение  
Ответить с цитатой  
СообщениеДобавлено: 22 янв 2016, 10:12 
Не в сети
Гуру поболтать
Аватара пользователя

Зарегистрирован: 09 ноя 2007, 14:22
Сообщения: 1643
Фотографии: 267
ru0aea писал(а):
Начальник форума все время упрекает юзеров, что те не делятся положительным опытом эксплуатации, а только жалобы и вопросы. Попробую исправить ситуацию.
Виталий, ваш случай как раз то, в чём и "упрекаю"... Как вы сами сообщили в соседнем топике, см. по => ССЫЛКЕ <= нажать левым мышем ссылку -
ru0aea писал(а):
Все собрано, настроено, и отработало около 9 мес.
Т.е. когда всё работало 9 месяцев - счастьем не поделиться. Но как только, цитирую -
ru0aea писал(а):
Затем началось: с начало начала срабатывать защита на диапазоне 10м....
Только после этого "горя" и....
Ну и будьте уже до конца точны в своих сообщениях -
ru0aea писал(а):
ФНЧ был приобретен у автора темы, и к сожалению показал свою не работоспособность про мощности 900 Вт.
Не обманывайте читателей. Вы взяли только чистую плату + тоже чистую плату с ферритами усилителя + вам добавил "бонус" - СМД мощные резисторы и т.д. - компоненты, которые крайне сложно будет найти в рознице.
ФНЧ и чистая плата для ФНЧ - это "Две большие разницы" - как говорят в Одессе.
Я попросил выложить фото ФНЧ в вашем исполнении - без ответа.
Хотелось бы посмотреть ещё и на мегаомметр, которым вы "простреливали" плату. Насколько помню - они обычно на 1000В работают.
Но, по большому счёту, не в этом дело, а в том, что плата то - проработала 9 месяцев.
Скорее всего прав Алексей RX9CKU, который подсказывает вам, что нельзя промывать платы ацетоном.

Привожу пример из своего опыта. 80-ые - делаю УМ на ГУ-74Б. Анодный трансформатор, конечно - самостоятельно рукопашно. Межслоевые прокладки из провощенной специализированной бумаги. При намотке бумага всё время раскручивается и не даёт делать ровные слои провода. Принимаю решение нитками её "прихватывать" - не прокатило. Нитки получаются под обмоткой - мешают равномерной укладке провода. Решение - клеем "прихватить" бумагу. Сейчас точно не помню какие типы клея пробовал - не "лепят" они воск. И тут приходит "гениальная мысля" - Момент! На то время это был сааамый крутяцкий клей. Моментом и "прихватывал" слои бумаги. Усилитель благополучно проработал несколько лет на коллективке. Эксплуатация нещадная - 74-ые в то время не проблема - жидкий эквивалент рулит. Затем 90-ые. УМ некоторое время пылился в сухой кладовке. Но при третьем включении после простоя, простреливает транс. Разбираю - прострелило под клеем. Хотя Момент за годы полностью высох и "теоретически" мог быть только "резинкой-изолятором" - в конце концов он растворил изоляцию провода. И по закону Мерфи совпало расположение "растворенного" провода между слоями.

Как те ФНЧ вы делали - кто знает? Не зря на "западе" всегда пишут в сопроводиловке к наборам для самостоятельной сборки - "Производитель набора не несет ответственности за полученный вами результат".
Поэтому ваше заявление о "неработоспособности" выглядит не корректно.

На "философские" вопросы - почему у кого-то работает, а у кого-то нет - не вижу смысла тратить на них время.
На конкретные вопросы - конкретный ответ.
АТТ - распределение мощности.
Супрессоры - кто даст гарантию, что они не ухудшат качество сигнала?
Бинокли - чем меньше различных трансформаторов - тем меньше в них потерь.
Применение обязательно в СМД исполнении конденсатора на вых. бинокле - из области "фантастики". Кому интересно - пусть сам проводит такие лабработы.
Балун применяется для перехода симметрия-в-не-симметрию. Мне то он зачем?

В тему "рекламы-коммерции". Виталий, будьте реалистом. HAM рынок в ex USSR благополучно лег. И лег он окончательно. Об этом я говорил ещё несколько лет назад - см. SDR-скую тему. Я приводил в пример какое количество наборов для сборки SDR-ов заказывают в USA и какое у нас.
Посему в тему "коммерции" можете не беспокоиться. Т.к. "коммерции" - здесь её просто нет.

Почему быстро не отвечаю на "поставленные" вопросы в форуме? Можете считать, что я по "инерции" поддерживаю и этот форум. Кроме потери на него времени и материальных затрат, он мне ничего более не приносит. Поэтому появляюсь здесь только, когда считаю необходимым, когда есть на это время (а его свободного нет вообще!) и желание.
...много натоптал буковок... Снова - Одесса - "А оно нам нада?" - там так говорят...
:ups:

_________________
Aleksandr


Вернуться к началу
 Профиль Отправить личное сообщение  
Ответить с цитатой  
СообщениеДобавлено: 22 янв 2016, 10:30 
Не в сети
Гуру поболтать
Аватара пользователя

Зарегистрирован: 09 ноя 2007, 14:22
Сообщения: 1643
Фотографии: 267
Вопросы -
Саша какие защиты рекомендуешь, что бы без проблем?
На входе будет трансивер 100Вт (Усилок от тебя на rd70) Минимум imd на 50Вт.
По схеме на плате реализован входной антюниатор (но под другую мощу я так понял....).
До какой мощности "душить" трансивер тогда?
Защита по входу быстродействующая от перекачки так же необходима. Вдруг чего проскочит?
Или "раздушенный" по выходу TRX воткну? Есть рекомендации, решения?


Ответы -
Защиты - все, какие сможешь.
Без проблем - не будет. Точнее - такая ситуация очень дорого стоит. - "А оно нам нада?" ro-18
Входной АТТ - считай "дань моде" - защититься от "дурака", пардон, от невнимательного пользователя. Японцы делали "тупо" в своих УМах - кучу мощных резисторов в АТТ на входе, чтобы при подаче всех 100Вт из радио УМ не сгорел.
Для 4х MOSFET достаточно до 30Вт. Это вариант исполнения плат УМа от UT2FW - т.к. на всех платах есть свой входной АТТ. В реалии больше 12-18Вт не нужно - зависит от типа MOSFET.
Да, БЫСТРОДЕЙСТВИЕ защит - это главная тема всех защит в УМе.
Рекомендация на сегодня одна - смотри по ссылке => ССЫЛКА - весь "цимус" того изделия в возможности выставить верхнюю планку на каждом диапазоне индивидуально. Т.к. для УМа всё равно потребуется различная входная мощность для разных частот. Если хочешь, чтобы выход был одинаков по диапазонам. DN-B10 просто не позволит превысить установленную планку мощности.
Даже "раздушенный" TRX не имеет 100% гарантии от возникновения возбуда. А блуданет он на всю мощу, на которую способны транзисторы ШПУ. Кстати, от "блуда" не застрахованы и буржуины. FT-1000MP - тому яркое "зрелище" - кто юзал - тот знает, но помалкивает... продать же потом не продашь... посему лучше - |)

_________________
Aleksandr


Вернуться к началу
 Профиль Отправить личное сообщение  
Ответить с цитатой  
СообщениеДобавлено: 23 янв 2016, 15:23 
Не в сети
Частый посетитель

Зарегистрирован: 08 июл 2015, 17:54
Сообщения: 12
Позывной: RU0AEA
Имя: Виталий
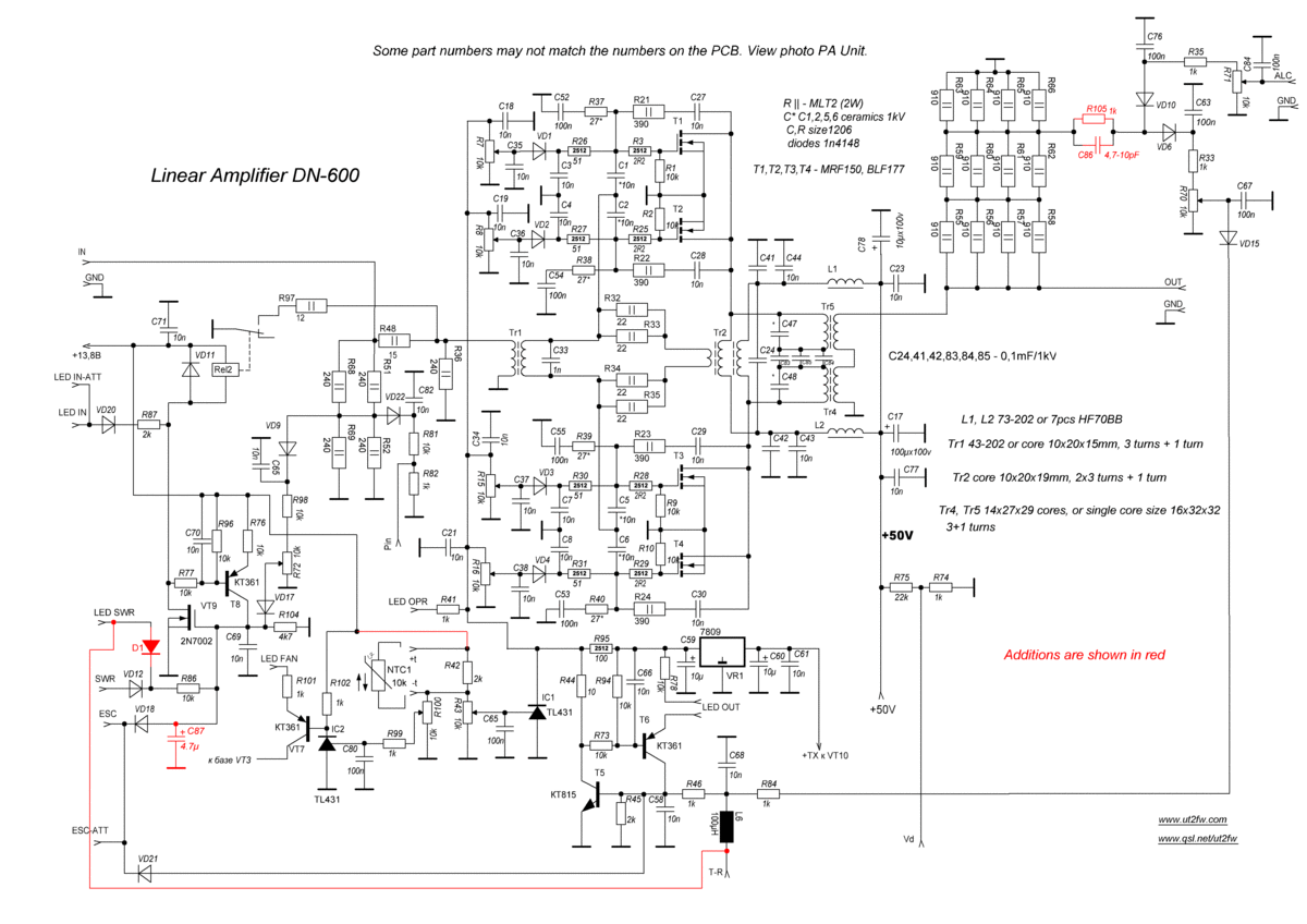
Добрый день Александр. Спасибо за ответы. Согласен, покупал платы, а не ФНЧ. Оговорил. Извиняюсь. Про СМД конденсаторы на биноклях не спрашивал, свой опыт прокоментировал. Ниже привожу схему EB104. Вопрос: конденсаторы, позиционное обозначение С17,С18, в вашей интерпритации не устанавливаются. Что дает их наличие (отсутствие)?
С Вашего позволения завтра допишу свой опус. Может кому будет интересно.


Вложения:

Вернуться к началу
 Профиль Отправить личное сообщение  
Ответить с цитатой  
СообщениеДобавлено: 23 янв 2016, 20:47 
Не в сети
Гуру поболтать
Аватара пользователя

Зарегистрирован: 09 ноя 2007, 14:22
Сообщения: 1643
Фотографии: 267
Ну почему же не устанавливаются? См. внимательнее схему - это "исходная" схема DN-600.
В дополнение - схему усилителя от америтронов ALS-600 - найдите "пять отличий" от исходной схемы EB-104.

По теме "дописывать" в форум. Мне уже надоело "подпинывать" народ к активности. В 333-ий раз повторяю - есть желание размещать в форуме инфо? И не нужно никого спрашивать - следует брать и размещать! Любой опыт, пусть даже не с положительным результатом - это подсказка, чтобы кто-то не наступил на те же грабли... А если инфо о положительном результате - сколько уже лет прошу делиться в форуме счастьем? :ya-za:


Вложения:



_________________
Aleksandr
Вернуться к началу
 Профиль Отправить личное сообщение  
Ответить с цитатой  
СообщениеДобавлено: 24 янв 2016, 06:50 
Не в сети
Частый посетитель

Зарегистрирован: 08 июл 2015, 17:54
Сообщения: 12
Позывной: RU0AEA
Имя: Виталий
Начал было писать ответ, но потом дошло. В мотороловском наборе постоянный ток не течет через первичную обмотку Т3, в связи с тем, что установлены конденсаторы С17, С18.
В DN600 между ТР4 и ТР5 три конденсатора, позиционное обозначение не читается.
А в ALS600 постоянная составляющая (часть) течет через Т203, в связи с чем и был вопрос.
Смею спросить, какой тип конденсаторов Вы рекомендуете применять в качестве разделительных, кроме ATC (В DN600 между ТР4 и ТР5 три конденсатора) при мощности УМ до 1000Вт?
По поводу балуна смею не согласиться. Со стороны УМ выход симметричный, вход ФНЧ не симметричный. Линия, соединяющая УМ и ФНЧ тоже не симметричная. На мой взгляд балун нужен. Вопрос, даст ли он заметное улучшение?
Ниже фото УМ ALS1300 и ACOM 600S где видны эти балуны.


Вложения:


Вернуться к началу
 Профиль Отправить личное сообщение  
Ответить с цитатой  
СообщениеДобавлено: 24 янв 2016, 10:45 
Не в сети
Частый посетитель

Зарегистрирован: 21 янв 2011, 11:01
Сообщения: 11
Позывной: RU3AEP
Имя: Валентин
Вложение:
Комментарий к файлу: Схема
ШПУ-2012.pdf [88.67 КБ]
Скачиваний: 2167
В 333-ий раз повторяю - есть желание размещать в форуме инфо? И не нужно никого спрашивать - следует брать и размещать! Любой опыт, пусть даже не с положительным результатом

Что ж, размещаем. Прежде всего, хочется отблагодарить уважаемого Александра за размещаемые материалы по усилителям на транзисторах и не только по ним. Имея довольно богатый опыт повторения самых разных конструкций из всевозможных "мурзилок" (некоторые из которых, как становилось понятно позже, не способны работать в принципе), могу в полной уверенностью утверждать, что качество (а это широкое понятие - от степени проработанности схем до отсутствия опечаток) данных материалов на голову выше большинства других публикаций. Конечно, кое-где присутствуют неточности, кое-какие параметры слегка завышены (впрочем, не исключаю, что это только мое впечатление, вызванное недостаточным опытом), но при наличие должного "масла в голове" все вполне работает и радует.

Ну а теперь, собственно, по делу. За последние несколько лет в двух самодельных трансиверах были успешно установлены ШПУ по схемотехнике UT2FW. Первый - практически сделанный 1:1 усилитель от "Дуная" с двумя 2Т965А на выходе, второй - неоднократно упомянутый на данном форуме ШПУ от SDR-100 c двухтактным драйвером и довольно мощными выходными транзисторами.

Итак, усилитель номер 1 (тот, что от “Дуная”). Впечатления от конструкции и ее работы в целом – очень положительные. Все работает практически сразу после сборки, однако с АЧХ и максимальной отдаваемой мощностью на всех бендах пришлось несколько повозиться. Опасения по поводу ненадежности подобных усилителей и обязательной необходимости схем защит от перегрузок и рассогласования с нагрузкой оказались напрасны - усилитель совершенно спокойно выдерживает отключение нагрузки и КЗ по выходу на полной мощности, а также издевательства в виде переключений диапазонов в процессе передачи тонального сигнала (конечно, так делать не нужно, хотя бы из соображений сохранности контактов реле, но факт есть факт). За 10 лет эксплуатации подобных усилителей мне лишь дважды удалось выпалить выходные транзисторы - один раз при настройке согласующего устройства на полной мощности на 40-метровом диапазоне (скорее всего, что-то очень неудачно попало в резонанс), а другой - при очередных регулировках, когда внезапно возникло сильное самовозбуждение всего тракта, быстро устранить которое не было возможности.


Основные параметры усилителя получились примерно следующими:
1) Выходная мощность (измеренная после диапазонных ФНЧ пятого порядка прибором Diamond SX-200) на диапазонах 160-20 м - около 30 Ватт, на 21 МГц - около 27 Ватт, на 28 МГц – 25 Ватт. Следует иметь в виду, что эта та мощность, при которой еще сохраняется приемлемая линейность сигнала - т.е. при подаче двухтональника на вход с уровнем, обеспечивающем на выходе среднюю мощность в половину меньше указанной, уровень IMD3 не превышает -26 dB по отношению к мощности на пике огибающей (попросту говоря - уровень комбинационных составляющих на 20 dB ниже уровня основных). И хотя Александр говорит о возможности получения 50-60 Ватт с пары КТ965, относиться к этому, надо, вероятно, с определенным сомнением, ибо несмотря на всевозможные "игры" с соотношением витков трансформаторов, номиналами элементов обратных связей итд приблизиться к этим значениям удалось лишь на НЧ-диапазонах, но при этом говорить о какой либо линейности уже не было смысла.
2) Потребляемый ток от источника +15 V - 5-6 А в зависимости от диапазона. Т.е. потребляемая мощность составляет порядка 75-90 Ватт. Ток покоя в режиме передачи - около 1А (из них порядка 600 мА приходится на драйвер, работающий в режиме А, ~250 мА - на выходные транзисторы).
3) Неравномерность АЧХ в режиме "малого сигнала" (т.е такого, при котором еще не наступает ограничение) - порядка 1 dB в диапазоне 1.5-30 мГц. Измерено прибором NWT-7 с применением дополнительного аттенюатора с выхода усилителя на вход детектора.

Некоторого внимания заслуживает входная цепь первого каскада на КТ610. Увы, но в оригинальном ее исполнении (без дополнительного подстроечника от точки соединения R10 и C23) не удавалось добиться равномерности АЧХ при запитке усилителя от источника сигнала с выходным сопротивлением 50 Ом. Наблюдался довольно сильный (8-10 dB) и неустранимый подъем в области низких частот, являющийся, по-видимому следствием зависимости входного сопротивления каскада на Q3 от частоты. Введение подстроечного резистора во входную цепь и подбор его сопротивления позволили полностью линеаризовать АЧХ, причем в основном за счет уменьшения усиления в области низких частот. Допускаю, что это не совсем "правильный" прием, но факт остается фактом - после такой "коррекции" равномерная отдача по диапазонам достигается довольно легко.

Дополнительный подъем АЧХ в области 20-30 Мгц достигается введением конденсаторов с эмиттера Q3 на массу. Тут важно не "переборщить" и попасть в некий слабо выраженный "резонанс" в районе 28-29 Мгц, так как в противном случае можно получить ненужный подъем АЧХ ниже по частоте. Также обеспечить максимальную отдачу на 10 м (не путать с “малосигнальной” АЧХ) позволяет подбор конденсаторов параллельно обмоткам согласующего и выходного бинокля. Однако следует иметь в виду, что эффект этот довольно слабый.

Некоторые подробности по трансформаторам:
1) Для всех трансов применены кольца 1000НМ. Диаметром 10 мм для первых двух и 16 мм – для выходного. Подозреваю, что это не совсем удачный выбор, ибо в другом усилке 600НН показали лучшие результаты.
2) Выходной бинокль имеет ДВА витка во вторичной обмотке. Попытка увеличить выходную мощность за счет третьего витка потерпела полное фиаско – резко падал КПД каскада (при той же мощности потребляемый ток возрастал процентов на 30), вдобавок появлялся неустранимый завал на ВЧ-диапазонах. Бинокль на входе выходного каскада имеет также два витка в первичке.

Дело было довольно давно, но, насколько я помню, наибольшую проблему при настройке-наладке этого ШПУ доставило обеспечение должной отдаваемой мощности на 28 Мгц. И речь тут идет не об общей АЧХ передающего тракта – ее неравномерность сводится к нулю довольно просто, а об эффекте, когда усилитель будто “насыщается” на ВЧ гораздо раньше, чем на НЧ и никаким увеличением входного сигнала не позволяет получить желаемую мощность на выходе. Полностью побороть это явление мне так и не удалось (все равно, мощность на ВЧ немного меньше, чем на НЧ, и ограничение несколько более “жесткое”), но существенный успех был достигнут
А) Подбором пары выходных транзисторов.. Увы, их неидеальность проявляется как раз на самых высоких частотах и вполне реальная ситуация, когда пара КТ965, отдающая свои 30 Ватт на 40 М, “затыкается” уже при 15 Ваттах на 28 Мгц.
Б) Подбором компенсирующих конденсаторов параллельно вторичке согласующего бинокля и первичке выходного. Причем подбор этот ДОЛЖЕН ПРОВОДИТЬСЯ на полной мощности, так как в режиме “малого сигнала” подобные действия ничего не дают и эффект вполне может быть обратен желаемому (много раз наблюдал, как подключение конденсатора несколько снижает усиление при малой мощности, зато существенно отодвигает порог насыщения каскада, позволяя получать большую максимальную выходную мощность). В моем усилке емкость параллельно вторичке предвыходного бинокля получилась 360 pF, а параллельно первичке выходного – 82 pF.
В) Некоторым подбором номиналов ФНЧ с целью обеспечения оптимального согласования. Увы, но настроенные по АЧХ-метру с эталонными входными-выходными импедансами ФНЧ оказываются не совсем оптимальными в реальной конструкции и требуют подстройки под конкретные условия по максимуму отдачи в нагрузку.

Во вложениях - итоговая схема усилителя, внешний вид собранного блока и фотка, сделанная в процессе настройки платы.


Продолжение следует...


Вложения:
Комментарий к файлу: Вид готового блока

Комментарий к файлу: Настройка...

Вернуться к началу
 Профиль Отправить личное сообщение  
Ответить с цитатой  
Показать сообщения за:  Поле сортировки  
Начать новую тему Ответить на тему  [ Сообщений: 88 ]  На страницу 1, 2, 3, 4, 5, 6  След.

Часовой пояс: UTC + 2 часа


Кто сейчас на конференции

Сейчас этот форум просматривают: нет зарегистрированных пользователей и гости: 4


Вы не можете начинать темы
Вы не можете отвечать на сообщения
Вы не можете редактировать свои сообщения
Вы не можете удалять свои сообщения
Вы не можете добавлять вложения

Перейти: