Честно признаться, дядя Саша не нанимался в "буквари" к самоделкопаяльщикам... но по-видимому лентяйский "синдром необучаемости" - это видимо "хронический медальон" наших самодельщиков...

Ситуация на сегодняшний день такова, что подавляющее большинство бывших активных (а точнее, вынужденных) "паяльщиков" прикупили себе буржуинов и хвастаются друг перед дружкой, что оне теперь - "забыли про паяльники". Оставшиеся же могикане паяльника упорно не желают изучать первоисточники и пытаются всех и вся "подложить под себя", т.е. заставить всех глазеть на мир только через свои очки. Увы - мир многообразен и к тому же постоянно меняется... возможно, что не всегда так, как нам бы этого хотелось...
Немного инфо из моей переписки, для того, чтобы яснее было о чём талдычу. Напоминаю - выдавать желаемое за действительное у UT2FW такой "манечки" не было и в этой жизни уже не будет...
После летнего перерыва я снова взялся за Ваш продукт(который должен быть законченным по моему разумению). Это усилитель на RD70. Я Вам писал 5 мая, что Ваш продукт не соответствует заявленным Вами параметрам.
Я у Вас покупал готовый (и как я надеялся отлаженный) усилитель, но при включении он полностью не соответствовал заявленным Вами параметрам. Т.е. заявленной мощности в линейном режиме(у меня такое впечатление, что Вы не совсм понимаете что это такое) и максимальной мощности на высокочастотных диапазонах (50 Вт выше 14 мГц и то нелинейно) Хотел бы напомнить, что линейность усилителя проверяется не в телеграфном режиме, а хотя бы в двухтональном. Учитывая мой опыт в разработке усилителей мощности, я мог бы разработать и изготовить усилитель под свои запросы, но в силу моего физического состояния(зрение) не могу этого сделать. СергейДокладываю в тему ШПУ на 2хRD70.
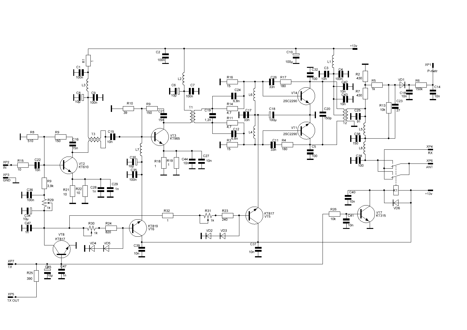
ШПУ на 2х
RD70HHF1 - это на сегодня де факто стандартное решение ШПУ 100Вт, которое сейчас очень популярно у всех производителей радиолюбительских трансиверов.
Yaesu,
Icom,
Kenwood ставят такую линейку практически во все свои трансиверы и с успехом. Не думаю, что разработчики тех фирм, тоже как и UT2FW, не понимают что это такое...
Ещё лет 15 назад поставил "точку" во всём нашем "изобретательстве" - самодельщикам не дано что-то изобрести новое - наша задача подсмотреть как делают фирмачи и перенести на свои конструкции. ШПУ на 2х
RD70HHF1 от UT2FW - это
тоже самое, что и ШПУ на 2х
RD70HHF1 во многих буржуинских трансиверах. Для сохранения максимально высоких качественных характеристик применил
дорогой вариант исполнения - с двухтактным драйвером. В отличии от вариантов такого ШПУ для "мыльниц" - с однотактным драйвером, например ШПУ в IC-7000.
Если нужен ШПУ 100Вт в классе А - насколько помню - в какой-то из линеек от Yaesu - FT-1000 они применяют такой усилитель. Но нужно понимать что такое изделие стоит совсем иных денег, нежели ШПУ на 2х
RD70HHF1. Либо же использовать иную схемотехнику - в дорогих моделях TRX выше перечисленные фирмы устанавливают ШПУ с питанием 50В. Например - IC-7700. У UT2FW такой ШПУ тоже есть - это 4х
MRF150 - до 100-200Вт он будет вот тем вариантом, о котором Вы говорите. Но его стоимость... Там только транзисторы
MRF150 сколько стоят...
По теме ШПУ на 2х
RD16HHF1.
Сегодня получил инфо, фотки осциллографа, ГССа от ещё одного дяди Серёжи -
Привет Александр
вот включил ШПУ, но похоже время сэкономить не удалось..... см.вложение Сергей Если он найдёт возможность и желание - выложит сам их, скажем сюда, в форум. Только,
Please - фотки нужно ужимать, хотя бы до 300кбт. Нужно всегда помнить, даже если у вас безлимитный интернет - правил никто не отменял - существуют ограничения в социальных ресурсах на объёмы пересылаемых файлов. Из трёх писем вложения открылись только в одном.
Меня не нужно "удивлять" картинками экрана осциллографа, или в чём-то пытаться убедить, переубедить в конструкциях, которые предлагаю к повторению. Наверное, догадываетесь, что тоже имеется и осциллограф, и ГСС и ты-ды... да ещё и не в единственном экз. К тому же - никуда далеко ходить не нужно - в ту же тему Алексей
UR3IQY выложил фотки, здесь же - на второй страничке топика.

Мне неоднократно приходилось докладывать инфо в эту тему - читайте, не ленитесь. Не нравится читать опусы от UT2FW - читаем буквари - например тот же самый популярный от Бунина и Яйленко.
Подсказываю в тему синусоид - синусоида - это не основополагающий признак правильности ШПУ. Нужно почитать буквари почему синусоида бывает красивая, а почему некрасивая. Подсказываю - пропусти некрасивую синусоиду через фильтр и поглазей.
Ещё подсказываю - читать - что такое классы работы ШПУ. Все ШПУ (за редким исключением) для SSB работают в классе АВ. Читать - что будет на выходе ШПУ в классе АВ, когда мы ему на вход подаём сигналы из ГССа. А вот какие в реалии мы имеем сигналы на выходе наиболее популярных ГССов - вот здесь помогу, т.к. не каждый имеет анализатор спектра у себя "на кухне".
См. ниже картинки -