Технический форум UT2FW

Сайт UT2FW | Доска бесплатных объявлений


Текущее время: 21 апр 2026, 15:27

Часовой пояс: UTC + 2 часа




Начать новую тему Ответить на тему  [ Сообщений: 313 ]  На страницу Пред.  1 ... 15, 16, 17, 18, 19, 20, 21  След.
Автор Сообщение
 Заголовок сообщения: Re: Линейки транзисторных ШПУ.
СообщениеДобавлено: 30 дек 2012, 20:45 
Не в сети
Освоившийся

Зарегистрирован: 15 янв 2010, 12:57
Сообщения: 22
RA4UIR писал(а):
радиатор 90*60 и высота ребра 15мм медный.
вообще-то слабоват радиатор.


Вернуться к началу
 Профиль Отправить личное сообщение  
Ответить с цитатой  
 Заголовок сообщения: Re: Линейки транзисторных ШПУ.
СообщениеДобавлено: 30 дек 2012, 22:38 
Не в сети
Старший паяльщик
Аватара пользователя

Зарегистрирован: 15 окт 2008, 15:42
Сообщения: 125
Да радиатор не "айс". У меня на таком же усилке радиатор размером 120х110х25 и без вентилятора ооочень сильно греется.


Вернуться к началу
 Профиль Отправить личное сообщение  
Ответить с цитатой  
 Заголовок сообщения: Re: Линейки транзисторных ШПУ.
СообщениеДобавлено: 31 дек 2012, 08:38 
Не в сети
Разбирающийся

Зарегистрирован: 27 дек 2007, 14:18
Сообщения: 238
У меня вот такой радиатор стоял, потом заменил на игольчатый немного длиннее, 190х80 и иголки 25. Тоже греется прилично, в SSB еще можно работать, а вот в цифре вентилятор нужно, приходится мощность снижать вдвое.
Юрий.
Вложение:



Вернуться к началу
 Профиль Отправить личное сообщение  
Ответить с цитатой  
 Заголовок сообщения: Re: Линейки транзисторных ШПУ.
СообщениеДобавлено: 31 дек 2012, 10:13 
Не в сети
Присоединившийся

Зарегистрирован: 13 авг 2009, 21:39
Сообщения: 3
спасибо за ответы. все ясно. а я в цифре как раз любитель) на прошлом усилителе радиатор больше был, как то не задумывался о нагреве, а тут пришлось обратить внимание. к сожалению больше не воткнуть, - это задняя стенка моего сдр. буду мощность снижать тогда.


Вернуться к началу
 Профиль Отправить личное сообщение  
Ответить с цитатой  
 Заголовок сообщения: Re: Линейки транзисторных ШПУ.
СообщениеДобавлено: 31 дек 2012, 11:09 
Не в сети
Старший паяльщик
Аватара пользователя

Зарегистрирован: 15 окт 2008, 15:42
Сообщения: 125
А ветродуй никак не прилепить?


Вернуться к началу
 Профиль Отправить личное сообщение  
Ответить с цитатой  
 Заголовок сообщения: Re: Линейки транзисторных ШПУ.
СообщениеДобавлено: 31 дек 2012, 20:29 
Не в сети
Присоединившийся

Зарегистрирован: 13 авг 2009, 21:39
Сообщения: 3
Алексей RN6LEA писал(а):
А ветродуй никак не прилепить?

Алексей, уже прилепил.
пока дальнейшие действия отложил до нового года)


Вложения:

Вернуться к началу
 Профиль Отправить личное сообщение  
Ответить с цитатой  
 Заголовок сообщения: Re: Линейки транзисторных ШПУ.
СообщениеДобавлено: 01 янв 2013, 17:41 
Не в сети

Зарегистрирован: 25 дек 2012, 16:13
Сообщения: 1
Позывной: ra0lmm
Имя: Василий
Здравствуйте возможно приобрести у Вас ШПУ на 2х MRF150&


Вернуться к началу
 Профиль Отправить личное сообщение  
Ответить с цитатой  
 Заголовок сообщения: Re: Линейки транзисторных ШПУ.
СообщениеДобавлено: 12 фев 2013, 01:15 
Не в сети
Присоединившийся

Зарегистрирован: 08 ноя 2012, 19:24
Сообщения: 5
Позывной: UR5FKG
Имя: Владимир
Тут такой вопрос, что лучше работает в плане линейности и защиты от высокого ксв
2SC2290 или MRF454 или RD70HHF1


Вернуться к началу
 Профиль Отправить личное сообщение  
Ответить с цитатой  
 Заголовок сообщения: Re: Линейки транзисторных ШПУ.
СообщениеДобавлено: 12 фев 2013, 16:59 
Не в сети
Гуру поболтать
Аватара пользователя

Зарегистрирован: 09 ноя 2007, 14:22
Сообщения: 1643
Фотографии: 267
UR5FKG писал(а):
Тут такой вопрос, что лучше работает в плане линейности и защиты от высокого ксв
2SC2290 или MRF454 или RD70HHF1
Что лучше? Сложно сказать - у каждого свои преимущества.
2290 - это не убиваемый ШПУ по опыту DN-100. Но в кенвудах всё же палят...
полевики - ну не любят они статику - достаточно часто востребованный элемент у ремонтников буржуинов... если от статики обезопасить - вполне оптимальный вариант цена-качество
454 - можно поболее 100Вт - у меня неоднозначное о них мнение сложилось после опыта покупки "пар" от, смотреть по ссылке => https://www.communication-concepts.com/i ... 454mp.html - то, что янки и не думали их подбирать - для меня это однозначно и на 120% - намаялся с тем ШПУ, когда слепо веря янкам без проверки пару запаял. В дальнейшем несколько раз были проверены в ШПУ DN-100 - неубиваемые, если до 100Вт, но как-то "дубовые"... похоже на наши КТ944А
Линейность у всех элементов будет зависеть от превышения ТТД. Те, различия в 1-3дБ если смотреть в даташиты, никто в реальных условиях не обнаружит.

_________________
Aleksandr


Вернуться к началу
 Профиль Отправить личное сообщение  
Ответить с цитатой  
 Заголовок сообщения: Re: Линейки транзисторных ШПУ.
СообщениеДобавлено: 12 фев 2013, 21:48 
Не в сети
Присоединившийся

Зарегистрирован: 08 ноя 2012, 19:24
Сообщения: 5
Позывной: UR5FKG
Имя: Владимир
Теперь уже более понятно от куда ноги растут)
А как у 2SC2290 с опасным значением ксв? Что то не нашел этого параметра в даташите в отличии от rd.
И такой не мало важный вопрос, как хорошая теплоотдача и рассеивание тепла.Больше греются rd70 или 2290


Вернуться к началу
 Профиль Отправить личное сообщение  
Ответить с цитатой  
 Заголовок сообщения: Re: Линейки транзисторных ШПУ.
СообщениеДобавлено: 17 фев 2013, 10:30 
Не в сети
Гуру поболтать
Аватара пользователя

Зарегистрирован: 09 ноя 2007, 14:22
Сообщения: 1643
Фотографии: 267
UR5FKG писал(а):
А как у 2SC2290 с опасным значением ксв? Что то не нашел этого параметра в даташите в отличии от rd. И такой не мало важный вопрос, как хорошая теплоотдача и рассеивание тепла.Больше греются rd70 или 2290
По "убиваемости" 2290 - повторяю - уложить можно что угодно, если есть на то желание. А то, что пишут по параметру SWR в даташитах - если цифирки приводятся в пределах 3-5 - можно не обращать внимания. Теплоотдача? - "тупогеометрия" - берём линейку-транспортир и вычисляем площадь железки, на которой размещен кристалл.

_________________
Aleksandr


Вернуться к началу
 Профиль Отправить личное сообщение  
Ответить с цитатой  
 Заголовок сообщения: Re: Линейки транзисторных ШПУ.
СообщениеДобавлено: 12 авг 2013, 20:55 
Не в сети
Гуру поболтать
Аватара пользователя

Зарегистрирован: 09 ноя 2007, 14:22
Сообщения: 1643
Фотографии: 267
Интересующимся тематикой различных транзисторных ШПУ, докладываю - не прошло и "трёх лет", как выполнен мой заказ на ферриты (бинокли). Хотя японские ферриты применяю с 2009 года, но непосредственно производителю начал пытаться разместить заказ с 2010 года. Хотя и со всех сторон слышим о "свободном" капиталистическом рынке - оказалось, что производителю запрещено напрямую реализовывать свою продукцию за пределы Японии. Вот так то - ферритовые сердечники есть продукт "двойного стратегического" назначения - хочешь купить? - нет проблем - приезжай и покупай. Как будешь вывозить? - это твоя проблема... 8(
Не буду здесь вдаваться в подробности той секретной акции, которую пришлось совершить, пока искомые ферритики попали на славянскую территорию... Могу только сообщить - завод не берётся выполнять "мелкие" заказы - минимальные партии начинаются с тысяч - таких количеств, которые наш рынок будет потреблять десятилетиями... ну или будем их "солить"... шутка... |)
Бинокли как различных наиболее популярных размеров, так и различной проницаемости - т.е. из-за трудностей с приобретением, пришлось заказать "на все случаи жизни" - ниже фотка.
Для сравнения приложил бинокль от янок - это тот, который янки прикладывают к своему набору EB-104.


Вложения:


_________________
Aleksandr
Вернуться к началу
 Профиль Отправить личное сообщение  
Ответить с цитатой  
 Заголовок сообщения: Re: Линейки транзисторных ШПУ.
СообщениеДобавлено: 06 окт 2013, 22:18 
Не в сети
Младший паяльщик
Аватара пользователя

Зарегистрирован: 30 май 2013, 08:36
Сообщения: 86
Позывной: R7ND
Имя: Aleksandr
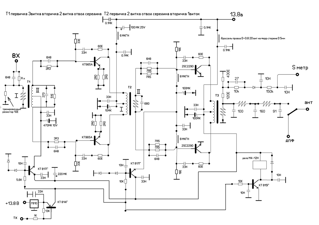
Victor us0iz писал(а):
Алексанр привет! Не нашел схему РА от UT2FW с 2хКТ -выходной касад + 2хКТ - драйвер Подскажи пожайлуста. Виктор
Докладываю - удалось совершить этот подвиг Сергею RV6LIK - он ваяет такой ШПУ и для себя нарисовал схему с готового ШПУ. Ниже архивом не ужатая схема для интересующихся и ужатая для абыпоглазеть.


Вложения:

PA-DN100.rar [97.19 КБ]
Скачиваний: 3257

_________________
Aleksandr
Вернуться к началу
 Профиль Отправить личное сообщение  
Ответить с цитатой  
 Заголовок сообщения: Re: Линейки транзисторных ШПУ.
СообщениеДобавлено: 07 окт 2013, 04:12 
Не в сети
Полноправный участник

Зарегистрирован: 12 дек 2007, 16:12
Сообщения: 31
Александр доброго тебе здоровья!
Спасибо !
Я думал, что ты уже и забыл о моей просьбе, а тут такой подарок - схема, которую я долго искал.
Для полного счасть не хватает, только рисунка ПП в Lay.
И настриваясь на позитив я думаю, что предлагаемая схемка РА отработана на практике.....
Да ???
И что это за странный позывной, ты уже его получил (2_ую его часть)
Виктор
73!


Вернуться к началу
 Профиль Отправить личное сообщение  
Ответить с цитатой  
 Заголовок сообщения: Re: Линейки транзисторных ШПУ.
СообщениеДобавлено: 07 окт 2013, 12:31 
Не в сети
Младший паяльщик
Аватара пользователя

Зарегистрирован: 30 май 2013, 08:36
Сообщения: 86
Позывной: R7ND
Имя: Aleksandr
Victor us0iz писал(а):
Для полного счасть не хватает, только рисунка ПП в Lay. И настриваясь на позитив я думаю, что предлагаемая схемка РА отработана на практике..... Да ???
И что это за странный позывной, ты уже его получил (2_ую его часть) Виктор 73!
Виктор, ну какой лайоут!? За ради 130р морочиться с изготовлением печатной платы? Или я чего-то не понимаю, или это уже такая пенсионерская стадия самоделкопаяния? Смотри по ссылке -> https://www.sdr.com.ua/node/71 а можно и с деталями - https://www.sdr.com.ua/node/72
Да ты пока вырежешь фигурные отверстия в стеклотекстолите под транзисторы - замучаешься стеклянную пыль от стеклотекстолита глотать... Неужто себя не жаль? ro-8
По практической отработанности - no comments...
По второй части - см. по ссылке - viewtopic.php?f=4&t=244&p=4375#p4375
Ещё раз - для тех "кто в танке" - в картинках "отработанность" -


Вложения:






_________________
Aleksandr
Вернуться к началу
 Профиль Отправить личное сообщение  
Ответить с цитатой  
Показать сообщения за:  Поле сортировки  
Начать новую тему Ответить на тему  [ Сообщений: 313 ]  На страницу Пред.  1 ... 15, 16, 17, 18, 19, 20, 21  След.

Часовой пояс: UTC + 2 часа


Кто сейчас на конференции

Сейчас этот форум просматривают: нет зарегистрированных пользователей и гости: 3


Вы не можете начинать темы
Вы не можете отвечать на сообщения
Вы не можете редактировать свои сообщения
Вы не можете удалять свои сообщения
Вы не можете добавлять вложения

Перейти:  
cron