Технический форум UT2FW

Сайт UT2FW | Доска бесплатных объявлений


Текущее время: 19 апр 2026, 12:08

Часовой пояс: UTC + 2 часа




Начать новую тему Ответить на тему  [ Сообщений: 313 ]  На страницу Пред.  1 ... 17, 18, 19, 20, 21  След.
Автор Сообщение
 Заголовок сообщения: Re: Линейки транзисторных ШПУ.
СообщениеДобавлено: 01 ноя 2013, 08:14 
Не в сети
Младший паяльщик
Аватара пользователя

Зарегистрирован: 30 май 2013, 08:36
Сообщения: 86
Позывной: R7ND
Имя: Aleksandr
rv3dlx писал(а):
...но в результате тоже сейчас усилитель без обратных связей работает, при этом частотная характеристика получилась вполне равномерная во всем диапазоне частот. Юрий.
АЧХ это "пол дела". Посмотри вложение - это характеристика DN-600 адаптированного под промышленную задачу - раскачка от 1,5-3В (75Ом), Pвых до 2,2кВт (импульсный режим), нижний предел АЧХ - должен быть работоспособен от 100кГц. Задача поставленная достаточно сложная - усилитель применяется в приборе для которого очень важен параметр минимального "мусора" и наивысшего соотношения сигнал\шум выходного сигнала. Заказчик оперировал цифирками не хуже -80дБ С\Ш. Ты представляешь, что это такое при моще более 2кВт!? 8(
Пришлось достаточно много времени ухлопать на подбор режимов транзисторов. Первый каскад в классе А. Но и тот класс А не от "балды" - тупое увеличение тока не даёт улучшения линейности - есть точка с минимумом. Прям как у ламп с квадратичной характеристикой. Так вот, к чему это о DN-600 в этой теме? - без тех цепочек обратных связей недостижима наивысшая линейность - и их придётся подбирать под требуемую задачу. Во вложении картинки промежуточного варианта исполнения - на MRF150. Ты посчитай на каком уровне в том усилке "мусор" проявлен. Можешь привести мне пример транзисторного усилителя от 100Вт нашей тематики с такими параметрами? Пришлось возиться не только с токами, но и с подбором цепочек.
Не утверждаю, но предполагаю, что вариант 2хRD100 без цепочек обр. связей при мощности в 200Вт выдаст на два порядка худший показатель. А если ещё тот сигнал загнать в УМ на 2хГУ81М в режиме аля-Пасько... ховайся... |)


Вложения:
Spektr-DN600-2kW.PDF [1.7 МБ]
Скачиваний: 3991

_________________
Aleksandr
Вернуться к началу
 Профиль Отправить личное сообщение  
Ответить с цитатой  
 Заголовок сообщения: Re: Линейки транзисторных ШПУ.
СообщениеДобавлено: 01 ноя 2013, 10:40 
Не в сети
Присоединившийся

Зарегистрирован: 29 мар 2013, 19:06
Сообщения: 7
Позывной: ua31421709
Имя: Андрей
Можно вопрос - кто-нибудь пробовал использовать ферритовые трубки с кабелей мониторов для изготовления трансформаторов в ум на транзисторах? Для изготовления трансформаторов для антенн их используют, пробовал сам - работает. Есть разные ферритовые трубки - например от кабелей USB, там размер поменьше.


Вернуться к началу
 Профиль Отправить личное сообщение  
Ответить с цитатой  
 Заголовок сообщения: Re: Линейки транзисторных ШПУ.
СообщениеДобавлено: 03 ноя 2013, 08:59 
Не в сети
Разбирающийся

Зарегистрирован: 27 дек 2007, 14:18
Сообщения: 238
Саша, привет! Не знаю как с транзисторами MRF150, с ними не работал (надеюсь все еще впереди), но с транзисторами RD, что 16, что 100, как ни крути токи покоя и какие обратные связи не вводи, конечно уровень паразитных составляющих изменяется, но все равно без выходных ФНЧ работать нельзя. У тебя хорошие результаты получились, что ты показал.
Да, там выше спрашивали по трубки от мониторов, у меня есть трубки от усилителя Америтрон и есть трубки с мониторов, таких же размеров, пробовал и те и другие, разницы нет. Вот закажу у дяди Саши бинокль, попробую с ним.
Юрий.


Вернуться к началу
 Профиль Отправить личное сообщение  
Ответить с цитатой  
 Заголовок сообщения: Re: Линейки транзисторных ШПУ.
СообщениеДобавлено: 04 ноя 2013, 19:11 
Не в сети
Младший паяльщик
Аватара пользователя

Зарегистрирован: 30 май 2013, 08:36
Сообщения: 86
Позывной: R7ND
Имя: Aleksandr
В том усилителе нет возможности ввести эффективную фильтрацию выходного сигнала, т.к. усиливаемый сигнал может быть в полосе 0,1-10Мгц. Посему приходилось выбирать рабочую "точку", чтобы минимум "мусора" обеспечить без дополнительной фильтрации. Да и задача стояла получить минимум в ближней зоне. Тщательным подбором удалось достичь параметров, которые видны на картинках.
По ферритам - по большому счёту работает любой феррит в ШПТЛ. Но весь вопрос в том как он работает. Менее требовательны к качеству феррита трансы кабелем. Но в таком варианте исполнения иная "засада" - попробуй найди качественный кабель требуемого сопротивления и диаметра. Поэтому не вижу смысла на сегодня изобретать "велосипед" и тратить время на лабработы с неизвестного происхождения ферритами - всё уже изобретено - благо, предложений нормальных ферритов на сегодня масса за копейки...

_________________
Aleksandr


Вернуться к началу
 Профиль Отправить личное сообщение  
Ответить с цитатой  
 Заголовок сообщения: Re: Линейки транзисторных ШПУ.
СообщениеДобавлено: 24 фев 2014, 11:41 
Не в сети
Гуру поболтать
Аватара пользователя

Зарегистрирован: 09 ноя 2007, 14:22
Сообщения: 1643
Фотографии: 267
Victor us0iz писал(а):
Александр привет ! Как-то года полтора назад я уже спрашивал тебя, но тогда у тебя не нашлось. Однако время идет и ситуация меняется
Снова вопрос: "У тебя нет схемы и печатки РА 100 Вт по схеме 1-2-2 "? (см. вложение). Спасибо Виктор 73!
Для интересующихся темой ШПУ DN-100. Есть и схема, есть и печатка. Повторяю - подвиг совершен Сергеем RV6LIK - он для себя нарисовал схему того ШПУ. Пол года ранее с его позволения схема выложена в форуме => смотреть страничку №18 этого топика. Готовая плата - смотреть по ссылке в => МАГАЗИН

_________________
Aleksandr


Вернуться к началу
 Профиль Отправить личное сообщение  
Ответить с цитатой  
 Заголовок сообщения: Re: Линейки транзисторных ШПУ.
СообщениеДобавлено: 27 мар 2014, 09:43 
Не в сети

Зарегистрирован: 27 мар 2014, 09:02
Сообщения: 1
Позывной: ub1qah
Имя: alex
Собираю ШПУ 35Вт. на RD06 и RD16 из набора от ut2fw. Спаял плату, токи по 0,5А на каждый транзистор выставил без проблем.Подаю на вход дополнительного усилителя VT1 сигнал с ГСС около 150 мв. на затворе RD06 сигнал отсутствует(на выходе ШПУ на Rн-50Ом напряжение окол 1,5В),отсоединяю разделительный конденсатор С5 от затвора RD06 усиленный сигнал с VT1 есть. В качестве VT1 использую КТ325, ток покоя выставлен 25 ма.В чём может быть проблема ?


Вернуться к началу
 Профиль Отправить личное сообщение  
Ответить с цитатой  
 Заголовок сообщения: Re: Линейки транзисторных ШПУ.
СообщениеДобавлено: 27 мар 2014, 12:25 
Не в сети
Младший паяльщик
Аватара пользователя

Зарегистрирован: 30 май 2013, 08:36
Сообщения: 86
Позывной: R7ND
Имя: Aleksandr
troha писал(а):
Подаю на вход дополнительного усилителя VT1 сигнал с ГСС около 150 мв. на затворе RD06 сигнал отсутствует(на выходе ШПУ на Rн-50Ом напряжение окол 1,5В),отсоединяю разделительный конденсатор С5 от затвора RD06 усиленный сигнал с VT1 есть. В чём может быть проблема ?
Проверить, какой элемент шунтирует выход КТ325-го. Реальную ёмкость С5.

Из переписки -
ШПУ нужен для работы на КВ диапазонах 1,5-30 МГц, раскачка от пасивного смесителя, т.е. необходим "каскада BFR96S+транс".
ps: с шестью вариантами выходного транса не разобрался, а именно в чем количественная/качественная разница для меня.


По трансформатору Т3. Для него можно применить ферритовые сердечники типоразмеров 10х20х15 или 10х20х19. Предлагаемый перечень можно увидеть по ссылке, нажать левым мышем на слово ФЕРРИТЫ по стрелке => ФЕРРИТЫ
Проницаемости сердечников в наличии три - 200, 600, 2000. Т.е. в итоге имеем 6 вариантов исполнения трансформатора Т3. Для тех, кого интересует этот ШПУ с максимальной граничной частотой (проверено вплоть до 100МГц) - целесообразно применять сердечник меньшего размера и минимальной проницаемости. Для любителей "всем на даль в Азии и Прибалтике" - т.е. частота пониже и мощи побольше - применять сердечник большего размера и максимальной проницаемости.

_________________
Aleksandr


Вернуться к началу
 Профиль Отправить личное сообщение  
Ответить с цитатой  
 Заголовок сообщения: Re: Линейки транзисторных ШПУ.
СообщениеДобавлено: 20 апр 2014, 19:51 
Не в сети
Присоединившийся

Зарегистрирован: 26 сен 2011, 10:45
Сообщения: 5
Откуда: Волгоград
Позывной: ua4adk
Имя: Руслан
Доброго времени суток всем.
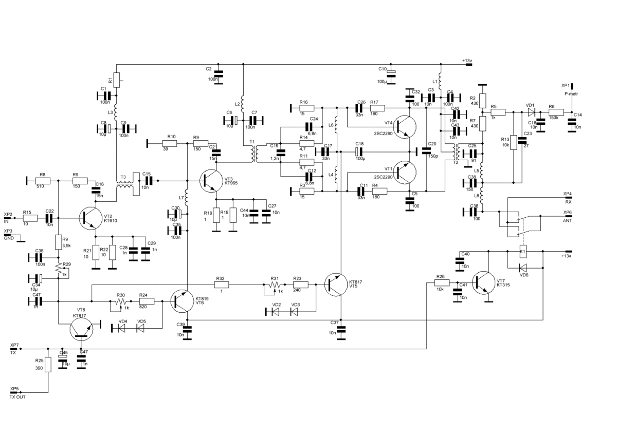
Вопрос по ШПУ на Дунай, по последней доработанной плате Александра Юрьевича.
На монтажной плате есть катушки L9,L10 коррекция 2sc2290. На схеме их нет.
Есть у кого данные на эти катушки? Или можно просто поставить перемычки.
Заранее благодарен Всем за ответ.


Вложения:
966 монтажка.pdf [33.94 КБ]
Скачиваний: 3353

Вернуться к началу
 Профиль Отправить личное сообщение  
Ответить с цитатой  
 Заголовок сообщения: Re: Линейки транзисторных ШПУ.
СообщениеДобавлено: 23 апр 2014, 17:09 
Не в сети
Гуру поболтать
Аватара пользователя

Зарегистрирован: 09 ноя 2007, 14:22
Сообщения: 1643
Фотографии: 267
Руслан, тема обсуждалась - см. по ссылке - viewtopic.php?f=1&t=29&p=3526&hilit=2sc2290#p3526
Чтобы не рыться в форуме есть поиск - см. вверху ссылка на него - набираешь например 2SC2290 и попадаешь на ту страничку. Конечно, ссылка не будет вверху списка, т.к. обсуждалась та тема ещё в 2011 году. Ту фотку ШПУ с написанными номиналами где-нибудь ещё выкладывал - попробуй сейчас вспомнить... да оно мне и не нужно - есть же автоматический поиск.
По самой схеме - да, в ней есть ошибки - сейчас и не вспомнить, кто и когда её рисовал. Но схемотехника ШПУ повторяется - сравни например с вариантом ШПУ 2хSC2290+2xRD16 и смотри по плате по компонентам. Во вложении схемы в тему.


Вложения:
2xRD70shema_korr.pdf [113.36 КБ]
Скачиваний: 3645
2SC2290-shema.pdf [101.91 КБ]
Скачиваний: 3592
966shema.pdf [69.31 КБ]
Скачиваний: 3660

_________________
Aleksandr
Вернуться к началу
 Профиль Отправить личное сообщение  
Ответить с цитатой  
 Заголовок сообщения: Re: Линейки транзисторных ШПУ.
СообщениеДобавлено: 24 апр 2014, 10:18 
Не в сети
Присоединившийся

Зарегистрирован: 26 сен 2011, 10:45
Сообщения: 5
Откуда: Волгоград
Позывной: ua4adk
Имя: Руслан
Доброго времени суток Александр Юрьевич.
Спасибо, будем смотреть.


Вернуться к началу
 Профиль Отправить личное сообщение  
Ответить с цитатой  
 Заголовок сообщения: Re: Линейки транзисторных ШПУ.
СообщениеДобавлено: 23 сен 2014, 09:38 
Не в сети
Младший паяльщик
Аватара пользователя

Зарегистрирован: 30 май 2013, 08:36
Сообщения: 86
Позывной: R7ND
Имя: Aleksandr
Хотя в 333-ий раз прошу - не пишите мне технические вопросы по Е-майл, если они обсуждаются в форуме - не буду отвечать на те "мыльные" запросы. Просто нет никакого времени натаптывать клаву в индивидуальных технических ответах. Поймите правильно - у меня всего 24 часа в сутках, две руки и одна голова (да ещё и кушать хочется ro-18 ), а тех, у кого что-то не получается, нааамного больше...

Итак - из переписки -

Здравствуйте, Александр. Я к Вам за помощью, если позволите...
Приобрёл у Вас ШПУ версии 35Вт, частично собранный. По входу поставил предварительный каскад на КТ386, т.к. сигнал с SDR очень слабый. Ранее, когда всё было разложено на столе по блокам, при входном двухтональном сигнале амплитудой 250мВ на выходе имел 60В амплитудного ВЧ-напряжения. Т.е. примерно 36Вт.
Выглядело это вот так: https://yadi.sk/i/AEz-9TgAbNtQL
Поставил ШПУ в корпус - жёсткое ограничение сигнала на верхушках синусоиды. Амплитуда получилась где-то 38В.
Теперь - вот так: https://yadi.sk/i/TI2BdVy0bWjTs
Посмотрел сигнал по каскадам - после первого и второго каскада сигнал усиливается без ограничения, причём после RD06 есть заметный диапазон регулировки усиления без ограничения сигнала резистором R11. Ограничение наступает в выходном каскаде.
После L09 - 9.25В . Померил смещение - оно задаётся до 8.4В примерно - задал одинаково по 8В для каждого транзистора - всё равно, есть ограничение. Мерил на правых выводах C28 и C29 по схеме. На средней точке выходногно трансформатора - 14.2В примерно, на концах первичной обмотки - примерно 13.8В под нагрузкой. Ток потребления при включении передачи - 6 - 6.5А.
Не могу понять, почему происходит ограничение ВЧ сигнала??? Подскажите, пожалуйста. Трансивер уже собран, практически и никак не могу побороть эту напасть...


Как правило - всё очень просто - но люди всё усложняют...
По ШПУ коротко:
1.Смещение - без толку смотреть на напряжение в затвора-базах - смотреть нужно на токи коллектора-стока.
2.ВЧ напряжение на "плечах" двухтактного ШПУ - без толку на него смотреть, если транзисторы подобраны в пару - на одной частоте будет "перекос влево", на другой "перекос вправо".
3.Без толку смотреть без ФНЧ выход ШПУ в классе В осциллографом - получите только "истерику" и кучу вопросов... Почему? - отмотать топик на несколько страниц ранее - всё обсуждалось и неоднократно.
4.КТ368 - хороший транзистор, только если в металле.
5.Если в действительности так на характеристики ШПУ повлияла иная компоновка - смотреть где новая компоновка "ограничивает".
В начале 80-х мне попадалась толстенная книженция английского (американского?) автора по теме устойчивости транзисторных усилителей. Там обширный раздел по компоновке-экранировке. Перечитал его с начала до конца, затем в обратном направлении, затем "поперек" перечитывал... В итоге понял - как не моделируй теорией - всё равно придётся в практически-боевых условиях отлаживать. Т.к. крайне сложно предугадать все исходные условия.
Из своего опыта - трёхкаскадные ШПУ на одной плате - это достаточно чувствительная к наводкам-блуду тема. Ток 6А да ещё и мощный выходной ВЧ сигнал при "милливольтах" полезного сигнала на входе, могут дать наводку сопоставимую с входным сигналом. Как проверить? Подать сигнал на второй каскад от ГССа - благо, достаточно пару вольт ВЧ, чтобы качнуть этот ШПУ на "полную катушку" без первого каскада. Но опять же - "синус" смотреть только после ФНЧ. В варианте без ФНЧ - забудьте про осциллограф!
Повторюсь - полезно хотя бы иногда просматривать странички этого форума по теме - например, приводил фото экрана СК4-59, что имеется на выходе стандартного ГССа - дабы немного "спуститься с небес на землю" по теме "вездесинусоиды"...

_________________
Aleksandr


Вернуться к началу
 Профиль Отправить личное сообщение  
Ответить с цитатой  
 Заголовок сообщения: Re: Линейки транзисторных ШПУ.
СообщениеДобавлено: 23 сен 2014, 18:13 
Не в сети

Зарегистрирован: 23 сен 2014, 18:03
Сообщения: 1
Позывной: rd3adc
Имя: Сергей
Доброго времени суток, Александр. Прежде всего, благодарю Вас за ответ.
По тексту. Ветки, касающиеся данного ШПУ на Вашем форуме я читал... То, что пропустил на счёт вопросов строго в форум - каюсь, извините. Синусоиду на выходе ШПУ увидеть не надеялся, т.к. к тому времени уже успел прочесть Ваши посты, касаемо LPF. Пытался смотреть, разве что, из спортивного интереса... К этому моменту я уже закончил свои изыскания по данному вопросу и остановился на стадии примерно 24В эффективного напряжения на выходе, при подаче сигнала сразу на RD06. От предварительного каскада я отказался. Собственно, этой мощности мне хватит для будущего скрещивания данного источника с PA на двух полтинниках с общими сетками, заземлёнными по ВЧ и входными контурами... О своих результатах, впрочем, написал здесь.
Касаемо описанной в письме проблемы. Ситуация оказалась глупейшая - у меня барахлил разъём осциллографа, к которому подключены щупы. К сожалению, заметил я это слишком поздно, заметив разницу между показаниями ВУ-15 и осциллографом. Кстати, тот результат мне удалось получить, как оказалось, при токах покоя боле 2А на транзистор. От этого режима я решил отказаться и настроил по 0.4А на плечо.
p.s. Спасибо за ШПУ и информацию! С уважением.


Вернуться к началу
 Профиль Отправить личное сообщение  
Ответить с цитатой  
 Заголовок сообщения: Re: Линейки транзисторных ШПУ.
СообщениеДобавлено: 18 ноя 2014, 09:22 
Не в сети

Зарегистрирован: 18 ноя 2014, 09:06
Сообщения: 1
Позывной: UC2-010-146
Имя: Дмитрий
zenon68 писал(а):
Итого. Не понятно мне как управлять текущей выходной мощностью предлагаемого 100-Ваттного усилителя.

напряжением питания


Вернуться к началу
 Профиль Отправить личное сообщение  
Ответить с цитатой  
 Заголовок сообщения: Re: Линейки транзисторных ШПУ.
СообщениеДобавлено: 18 ноя 2014, 14:16 
Не в сети
Присоединившийся
Аватара пользователя

Зарегистрирован: 13 окт 2010, 22:18
Сообщения: 5
Позывной: UR3IQH
Имя: Вячеслав
deeck75 писал(а):
zenon68 писал(а):
Итого. Не понятно мне как управлять текущей выходной мощностью предлагаемого 100-Ваттного усилителя.

напряжением питания


:hlp:

А есть ли проверенное, практическое решение по данному вопросу? Или только теория? ro-11


Вернуться к началу
 Профиль Отправить личное сообщение  
Ответить с цитатой  
 Заголовок сообщения: Re: Линейки транзисторных ШПУ.
СообщениеДобавлено: 04 ноя 2015, 14:54 
Не в сети
Присоединившийся

Зарегистрирован: 20 окт 2010, 17:50
Сообщения: 6
Позывной: UR4LGA
Имя: Sergey
Усилитель DN 100 с 18 страницы - чем обусловлена мощность первой пары КТ965А? В моем варианте применяется КТ966А и необходимо получить с них 50-60 Вт. Выходной трансформатор на бОльшем бинокле это понятно. Напряжение 13,8 В. Если есть подробное описание этого усилителя - ткните носом пожалуйста. Потому, как перечитал все тут, и вроде не нашел описание этого Усилителя. Буду благодарен за ответ


Вернуться к началу
 Профиль Отправить личное сообщение  
Ответить с цитатой  
Показать сообщения за:  Поле сортировки  
Начать новую тему Ответить на тему  [ Сообщений: 313 ]  На страницу Пред.  1 ... 17, 18, 19, 20, 21  След.

Часовой пояс: UTC + 2 часа


Кто сейчас на конференции

Сейчас этот форум просматривают: нет зарегистрированных пользователей и гости: 6


Вы не можете начинать темы
Вы не можете отвечать на сообщения
Вы не можете редактировать свои сообщения
Вы не можете удалять свои сообщения
Вы не можете добавлять вложения

Перейти:  
cron